Sla Battery Charger Ic . the ic controls the charging current as well as the charging voltage to safely and efficiently charge the battery, maximizing battery. Shrink your design and overall solution size with the industry’s. For faster and cooler charging. 11 rows analog devices' lt3652 is an innovative, solar power directed monolithic buck battery charger ic for modern battery chemistries. Specific current output is possible by altering the current sense.
from userlibjanet.z13.web.core.windows.net
11 rows analog devices' lt3652 is an innovative, solar power directed monolithic buck battery charger ic for modern battery chemistries. Specific current output is possible by altering the current sense. For faster and cooler charging. Shrink your design and overall solution size with the industry’s. the ic controls the charging current as well as the charging voltage to safely and efficiently charge the battery, maximizing battery.
6v Sla Battery Charger Circuit Diagram
Sla Battery Charger Ic 11 rows analog devices' lt3652 is an innovative, solar power directed monolithic buck battery charger ic for modern battery chemistries. For faster and cooler charging. the ic controls the charging current as well as the charging voltage to safely and efficiently charge the battery, maximizing battery. 11 rows analog devices' lt3652 is an innovative, solar power directed monolithic buck battery charger ic for modern battery chemistries. Shrink your design and overall solution size with the industry’s. Specific current output is possible by altering the current sense.
From www.elevate.in
Float Charger Circuit Diagram For 12v SLA Battery, 42 OFF Sla Battery Charger Ic the ic controls the charging current as well as the charging voltage to safely and efficiently charge the battery, maximizing battery. Specific current output is possible by altering the current sense. 11 rows analog devices' lt3652 is an innovative, solar power directed monolithic buck battery charger ic for modern battery chemistries. Shrink your design and overall solution size. Sla Battery Charger Ic.
From www.circuitdiagram.co
Auto Lead Acid Battery Charger Circuit Circuit Diagram Sla Battery Charger Ic For faster and cooler charging. 11 rows analog devices' lt3652 is an innovative, solar power directed monolithic buck battery charger ic for modern battery chemistries. the ic controls the charging current as well as the charging voltage to safely and efficiently charge the battery, maximizing battery. Shrink your design and overall solution size with the industry’s. Specific current. Sla Battery Charger Ic.
From fixdbgeorge.z13.web.core.windows.net
Sla Battery Charger Circuit Sla Battery Charger Ic 11 rows analog devices' lt3652 is an innovative, solar power directed monolithic buck battery charger ic for modern battery chemistries. the ic controls the charging current as well as the charging voltage to safely and efficiently charge the battery, maximizing battery. Specific current output is possible by altering the current sense. Shrink your design and overall solution size. Sla Battery Charger Ic.
From www.electronics-lab.com
DualLevel FloatCumBoost Charger with PreCharge for 12V 3 to 6Ah Sla Battery Charger Ic For faster and cooler charging. Specific current output is possible by altering the current sense. Shrink your design and overall solution size with the industry’s. 11 rows analog devices' lt3652 is an innovative, solar power directed monolithic buck battery charger ic for modern battery chemistries. the ic controls the charging current as well as the charging voltage to. Sla Battery Charger Ic.
From www.circuitdiagram.co
Sla Battery Charger Circuit Schematics Pdf Circuit Diagram Sla Battery Charger Ic Shrink your design and overall solution size with the industry’s. 11 rows analog devices' lt3652 is an innovative, solar power directed monolithic buck battery charger ic for modern battery chemistries. For faster and cooler charging. the ic controls the charging current as well as the charging voltage to safely and efficiently charge the battery, maximizing battery. Specific current. Sla Battery Charger Ic.
From www.circuitdiagram.co
Sla Battery Charger Circuit Schematics Pdf Sla Battery Charger Ic the ic controls the charging current as well as the charging voltage to safely and efficiently charge the battery, maximizing battery. 11 rows analog devices' lt3652 is an innovative, solar power directed monolithic buck battery charger ic for modern battery chemistries. Specific current output is possible by altering the current sense. For faster and cooler charging. Shrink your. Sla Battery Charger Ic.
From www.circuitdiagram.co
Sla Battery Charger Circuit Schematics Pdf Circuit Diagram Sla Battery Charger Ic For faster and cooler charging. Shrink your design and overall solution size with the industry’s. the ic controls the charging current as well as the charging voltage to safely and efficiently charge the battery, maximizing battery. Specific current output is possible by altering the current sense. 11 rows analog devices' lt3652 is an innovative, solar power directed monolithic. Sla Battery Charger Ic.
From www.electronicworld.co.nz
POWERTECH 12V 1A SLA Battery Charger Electronic World Sla Battery Charger Ic 11 rows analog devices' lt3652 is an innovative, solar power directed monolithic buck battery charger ic for modern battery chemistries. Shrink your design and overall solution size with the industry’s. Specific current output is possible by altering the current sense. the ic controls the charging current as well as the charging voltage to safely and efficiently charge the. Sla Battery Charger Ic.
From www.amazon.com
12V Sealed Lead Acid (SLA) Battery Charger 1300mA, with Sla Battery Charger Ic Specific current output is possible by altering the current sense. the ic controls the charging current as well as the charging voltage to safely and efficiently charge the battery, maximizing battery. Shrink your design and overall solution size with the industry’s. 11 rows analog devices' lt3652 is an innovative, solar power directed monolithic buck battery charger ic for. Sla Battery Charger Ic.
From www.amazon.com
Sealed Lead Acid (SLA) Battery Charger 12V/1500mA, Short Sla Battery Charger Ic Specific current output is possible by altering the current sense. For faster and cooler charging. 11 rows analog devices' lt3652 is an innovative, solar power directed monolithic buck battery charger ic for modern battery chemistries. the ic controls the charging current as well as the charging voltage to safely and efficiently charge the battery, maximizing battery. Shrink your. Sla Battery Charger Ic.
From www.artofit.org
12v lead acid sla battery charger circuit Artofit Sla Battery Charger Ic 11 rows analog devices' lt3652 is an innovative, solar power directed monolithic buck battery charger ic for modern battery chemistries. For faster and cooler charging. Shrink your design and overall solution size with the industry’s. the ic controls the charging current as well as the charging voltage to safely and efficiently charge the battery, maximizing battery. Specific current. Sla Battery Charger Ic.
From www.circuitdiagram.co
Sla Battery Charger Circuit Schematics Pdf Circuit Diagram Sla Battery Charger Ic 11 rows analog devices' lt3652 is an innovative, solar power directed monolithic buck battery charger ic for modern battery chemistries. the ic controls the charging current as well as the charging voltage to safely and efficiently charge the battery, maximizing battery. For faster and cooler charging. Specific current output is possible by altering the current sense. Shrink your. Sla Battery Charger Ic.
From www.amazon.co.uk
CGEAMDY 12V Sealed Lead Acid Battery Charger, 1000MA SLA Charger Sla Battery Charger Ic 11 rows analog devices' lt3652 is an innovative, solar power directed monolithic buck battery charger ic for modern battery chemistries. For faster and cooler charging. Specific current output is possible by altering the current sense. Shrink your design and overall solution size with the industry’s. the ic controls the charging current as well as the charging voltage to. Sla Battery Charger Ic.
From diagrammanualgroom.z5.web.core.windows.net
12v Sla Battery Charger Circuit Diagram Sla Battery Charger Ic Specific current output is possible by altering the current sense. the ic controls the charging current as well as the charging voltage to safely and efficiently charge the battery, maximizing battery. Shrink your design and overall solution size with the industry’s. 11 rows analog devices' lt3652 is an innovative, solar power directed monolithic buck battery charger ic for. Sla Battery Charger Ic.
From www.circuits-diy.com
12V Lead Acid SLA Battery Charger Circuit Sla Battery Charger Ic Shrink your design and overall solution size with the industry’s. Specific current output is possible by altering the current sense. For faster and cooler charging. 11 rows analog devices' lt3652 is an innovative, solar power directed monolithic buck battery charger ic for modern battery chemistries. the ic controls the charging current as well as the charging voltage to. Sla Battery Charger Ic.
From shopee.sg
1300 mA sealed lead acid (SLA) 12V smart battery charger with short Sla Battery Charger Ic 11 rows analog devices' lt3652 is an innovative, solar power directed monolithic buck battery charger ic for modern battery chemistries. Specific current output is possible by altering the current sense. For faster and cooler charging. Shrink your design and overall solution size with the industry’s. the ic controls the charging current as well as the charging voltage to. Sla Battery Charger Ic.
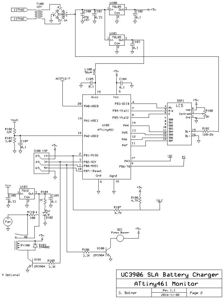
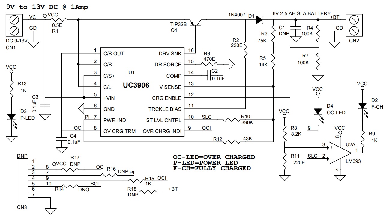
From www.qsl.net
UC3906 SLA Battery Charger 2.5Amp Sla Battery Charger Ic the ic controls the charging current as well as the charging voltage to safely and efficiently charge the battery, maximizing battery. For faster and cooler charging. Specific current output is possible by altering the current sense. Shrink your design and overall solution size with the industry’s. 11 rows analog devices' lt3652 is an innovative, solar power directed monolithic. Sla Battery Charger Ic.
From userdiagramjunker.z19.web.core.windows.net
6v Sla Battery Charger Circuit Diagram Sla Battery Charger Ic the ic controls the charging current as well as the charging voltage to safely and efficiently charge the battery, maximizing battery. Shrink your design and overall solution size with the industry’s. Specific current output is possible by altering the current sense. For faster and cooler charging. 11 rows analog devices' lt3652 is an innovative, solar power directed monolithic. Sla Battery Charger Ic.